應用描述
隨著人們生活水平的提高,吸塵器正在中國家庭迅速的普及,人們的思想也發生了變化,現在普通家庭對吸塵器的需求也是大大的提高了。
無刷馬達、智能控制、傳感器及鋰電池等技術的不斷發展,導致吸塵器應用對MOSFET要求越來越高,功率密度也越來越大。
CRMICRO 提供適合于吸塵器應用的低內阻,小體積DFN系列封裝產品,具有較低的 FOM [QG *RDS(on)] 實現了非常低的導通和開關損耗。此外,極低的寄生參數能實現更高的頻率和非常高功率密度設計。幫助制造商為吸塵器設計實現優化、高效的解決方案。
產品特色
![]() |
SJ 基于SGT平臺開發,FOM值低 | ![]() |
-40V-60V電壓段,多規格產品可供選擇 | |
![]() |
抗沖擊能力強,適用于電機驅動和BMS應用 | ![]() |
DFN等系列封裝齊全,滿足吸塵器不同外形需求 |
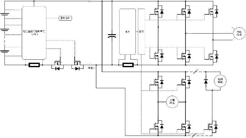
應用原理圖
典型應用拓撲圖

應用選型推薦
