
應用描述
據統計,全球大約50%的電能用于工業變頻驅動,主要應用于風機、泵和空氣壓縮機。通過采用變頻調速裝置,對電機的速度和轉矩進行控制,實現電機運行過程優化,可顯著的節能。變頻器應用范圍廣,應用環境差異大,會頻繁出現過載、重載等運行狀況,客戶需要耐功率沖擊強、耐短路能力時間長、且可靠性高的IGBT器件。
CRMICRO 新一代 1200V IGBT產品,在溝槽柵電場截止技術(FS)基礎上,針對電機驅動系統應用優化了芯片結構,采用更為先進的減薄工藝,降低了功率損耗,增強了魯棒性(強短路能力),同時提升了IGBT器件的可靠性和生產穩定性,大幅提升了IGBT器件使用壽命。
同時針對電機驅動系統的輔助電源應用,CRMICRO推出了耐壓高達1500V的MOS器件產品,為客戶提供全功率解決方案。
產品特色
![]() |
器件具備強的短路耐受能力 | ![]() |
超高壓MOS 耐沖擊力強 | |
![]() |
IGBT具備低的導通損耗和開關損耗 | ![]() |
器件具有高可靠性,適于工業級應用 |
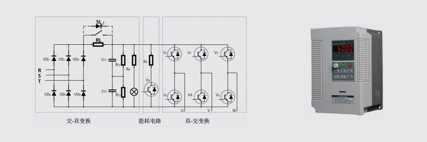
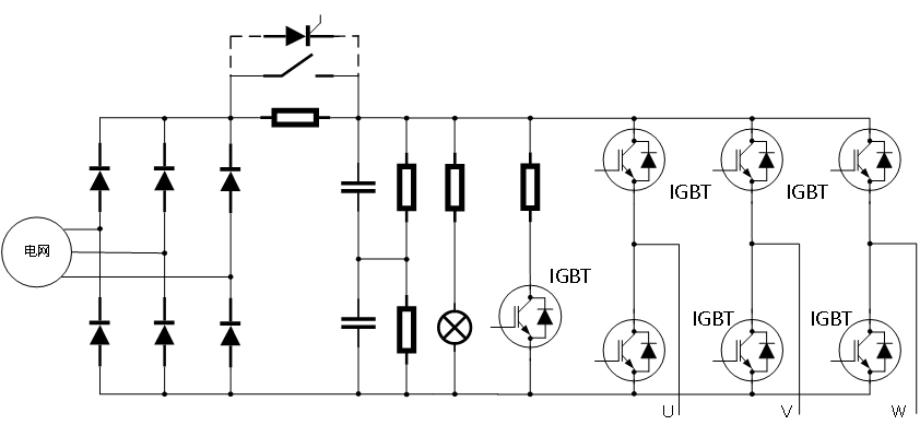
應用原理圖
典型應用拓撲圖

應用選型推薦
